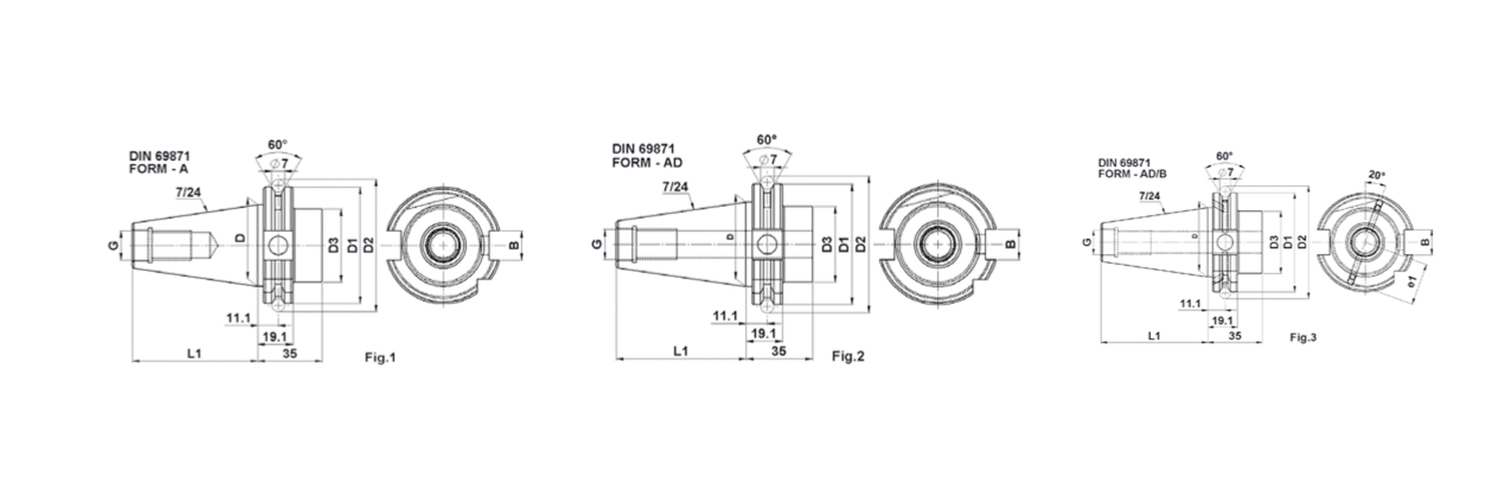
Form A , AD & AD/B
| Machine Design |
TAPER ISO |
D |
D1 |
D2 |
D3 |
L |
G |
B |
e1 |
| SK40 |
40 |
44.45 |
63.55 |
72.3 |
50.0 |
68.4 |
M16 |
16.1 |
27 |
| SK45 |
45 |
57.15 |
82.55 |
91.35 |
63.0 |
82.7 |
M20 |
19.3 |
35 |
| SK50 |
50 |
69.85 |
97.50 |
107.25 |
80.0 |
101.75 |
M24 |
25.7 |
42 |
ANSI / CAT - Form AD
| Machine Design |
TAPER ISO |
D |
D1 |
D2 |
D3 |
L |
B |
G |
| CAT40 - AD |
40 |
44.45 |
63.5 |
72.35 |
44.45 |
68.23 |
16.38 |
5/8-11 |
| CAT45 - AD |
45 |
57.15 |
82.55 |
91.35 |
57.15 |
82.55 |
19.55 |
3/4-10 |
| CAT50 - AD |
50 |
69.85 |
98.43 |
107.64 |
69.85 |
101.6 |
25.91 |
1" -8 |
Pre balanced G6.3@15000 RPM
Fine balancing G2.5@25000 RPM on request