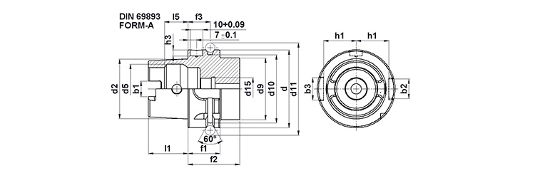
HSK Form A
Standard type for use on milling machines and machining centres with automatic tool change. Also suitable for manual tool change.
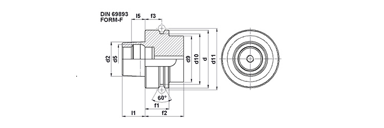
| HSK - d | b1 ±0.04 | b2 H10 | b3 H10 | d2. | d5 | d9 max | d10 -0.1 | d11 -0.1 | d15 | f1 -0.1 | f2 min | f3 ±0.1 | h1 -0.2 | h3 +0.2 | l1 -0.2 | l5 JS10 |
|---|---|---|---|---|---|---|---|---|---|---|---|---|---|---|---|---|
| 50 | 10.54 | 12 | 14 | 38.009 | 29 | 40 | 43 | 59.30 | M16X1 | 26 | 42 | 18 | 21.0 | 5.1 | 25 | 14.13 |
| 63 | 12.54 | 16 | 18 | 48.010 | 37 | 50 | 55 | 72.30 | M18X1 | 26 | 42 | 18 | 26.5 | 5.0 | 32 | 18.13 |
| 100 | 20.02 | 20 | 22 | 75.013 | 58 | 80 | 92 | 109.75 | M24X1.5 | 29 | 45 | 20 | 44.0 | 4.9 | 50 | 28.56 |
